Skip to content

KopievDev/irDecoder

Folders and files

NameName
Last commit message
Last commit date

Latest commit

 

History

11 Commits
 
 
 
 
 
 
 
 
 
 

Repository files navigation

irDecoder

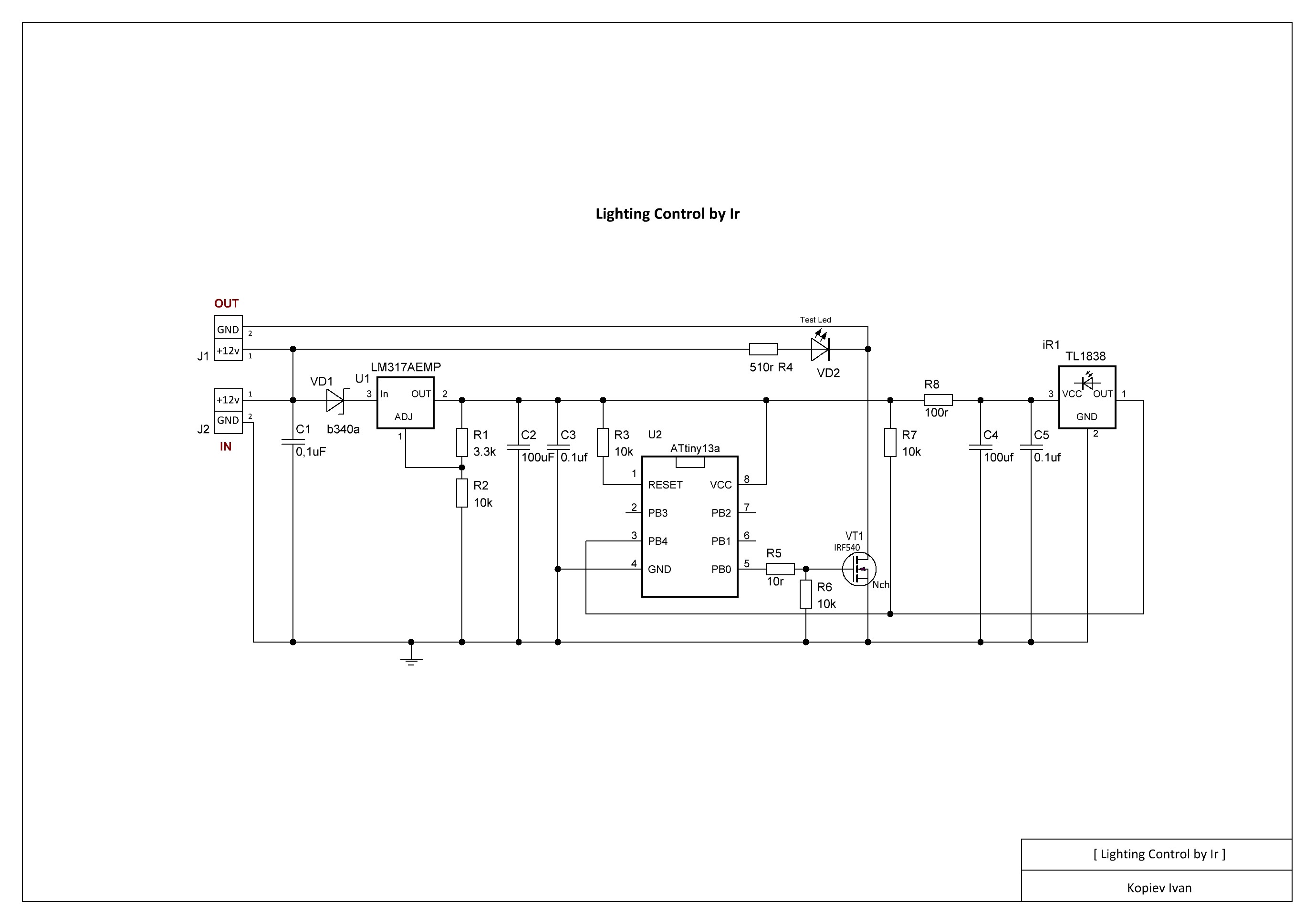
IrDecoder for AVR microcontroller AtTiny13

Schematic Protocol PCB
Schematic Protocol Ir_pcb

About

Управление нагрузкой через пульт от телевизора (for attiny13)

Resources

Stars

Watchers

Forks

Releases

No releases published

Packages

 
 
 

Contributors

Languages